МОДУЛЬ ЕРОЕ 3.1 Нескладний монтаж, ремонт, наладка та технічне обслуговування електроустаткування, електромонтажні роботи кабельних мереж, виконання нескладних регламентних робіт.
- ЕРОЕ – 3.1.1 Виконувати такелажні роботи із застосуванням кранів та інших вантажопідіймальних машин.
Електронний підручник “Стропальні роботи”
12.01.2026
Урок 2. Урок 1. Візуальне визначення маси переміщуваного вантажу, місця стропування типових виробів, правила стропування, підіймання і переміщення вантажів.
1. Опрацювати матеріал підручника "Стропальні роботи" стор. 36-38.
2. Скласти конспект: записати ключові поняття, їх значення та короткі пояснення.
12.01.2026
Урок 2. Умовна сигналізація для машиністів кранів (кранівників).
1. Опрацювати матеріал підручника "Стропальні роботи" стор. 39-41.
2. Скласти конспект: записати ключові поняття, їх значення та короткі пояснення.
12.01.2026
Урок 3. Ознаки і норми бракування вантажозахоплювальних пристроїв.
1. Опрацювати матеріал підручника "Стропальні роботи" стор. 12-20.
2. Скласти конспект: записати ключові поняття, їх значення та короткі пояснення.
12.01.2026
Урок 4. Призначення та застосування вантажозахоплювальних пристосувань - стропів, ланцюгів, канатів та ін., граничні норми навантаження вантажопідіймального крана та стропів.
1. Опрацювати матеріал підручника "Стропальні роботи" стор. 21-28.
2. Скласти конспект: записати ключові поняття, їх значення та короткі пояснення.
3. Дати відповіді на запитання:
- У якому випадку строп з ланцюга буде забракований?
- Якими позначеннями повинні забезпечуватися вантажопідйомні машини які знаходяться в роботі?
- Призначення електромагнітів.
- Для перевезення яких вантажів призначений електромагніт?
- На якій відстані від металоконструкції повинен знаходитися вантаж, що транспортується магнітом?
- У якому випадку стропальнику потрібна група з електробезпеки?
13.01.2026
Урок 5. Необхідна довжина і діаметр стропів для переміщення вантажів; допустимі навантаження стропів і канатів.
1. Опрацювати матеріал підручника "Стропальні роботи" стор. 42-44.
2. Скласти конспект: записати ключові поняття, їх значення та короткі пояснення.
13.01.2026 Урок 6. Вимоги нормативних актів з охорони праці та навколишнього середовища, правила безпечного поводження з устаткуванням, машинами і механізмами, правила застосування засобів колективного та індивідуального захисту. 1. Опрацювати теоретичний матеріал п. 3.3.2., 3.3.3 2. Скласти конспект: записати ключові поняття, їх значення та короткі пояснення. 3. Дати відповіді на запитання: - В яких місцях забороняється укладання вантажів кранами? - Де повинен находитися стропальник при кантуванні вантажу краном?
14.01.2026 Урок 7-8 Принципи раціональної і ефективної організації роботи на робочому місці. Безпечне ведення робіт для стропальників. 1. Опрацювати інструкцію з безпечного ведення робіт для стропальників (зачіплювачів), які обслуговують вантажопідіймальні крани. 2. Скласти конспект: записати ключові поняття, їх значення та короткі пояснення.
14.01.2026 Урок 9. Порядок дій при виникненні небезпечних, непередбачених ситуацій, план ліквідації аварійних ситуацій (ПЛАС) під час роботи з кранами. 1. Опрацювати теоретичний матеріал. 2. Скласти конспект: записати ключові поняття, їх значення та короткі пояснення.
14.01.2026 Урок 10. Причини аварій при експлуатації вантажопідіймальних кранів. 1. Опрацювати теоретичний матеріал. 2. Скласти конспект: записати ключові поняття, їх значення та короткі пояснення. 3. Дати відповіді на запитання: - Що таке такелажні роботи і які операції до них належать? - Хто має право виконувати такелажні роботи? - Які нормативні документи регламентують безпечне виконання такелажних робіт в Україні? - Які основні небезпечні та шкідливі фактори виникають під час такелажних робіт? - Які засоби індивідуального захисту обов’язкові для такелажника?
15.01.2026 Урок 11. Пристрої та прилади безпеки, що застосовуються на кранах. 1. Опрацювати теоретичний матеріал. 2. Скласти конспект: записати ключові поняття, їх значення та короткі пояснення. 3. Дати відповіді на запитання: - Які дії необхідно виконати у разі обриву стропа або зміщення вантажу? - У яких умовах (погода, освітлення) забороняється виконання такелажних робіт? - Чому заборонено перевищувати вантажопідіймальність стропів і механізмів? - Яка відповідальність передбачена за порушення вимог охорони праці при такелажних роботах? - Які дії необхідно виконати після завершення такелажних робіт?
15.01.2026 Урок 12. Урок узагальнення знань з теми. Пройти тестування
- ЕРОЕ – 3.1.2 Виконувати нескладні роботи на відомчих електростанціях, трансформаторних електропідстанціях, проводити ревізію трансформаторів, вимикачів, роз’єднувачів і приводів до них
15.01.2026 Урок 13. Класифікація електроустановок за напругою (до і більше 1000 В). 1. Опрацювати теоретичний матеріал п. 4.7.3, п. 5.5.2. 2. Скласти конспект: записати ключові поняття, їх значення та короткі пояснення. 3. Дати відповіді на запитання: - Як поділяються електричні установки залежно від напруги?
15.01.2026 Урок 14. Класифікація машин та апаратів за ступенем їх захисту від дії несприятливих факторів. 1. Опрацювати теоретичний матеріал. 2. Скласти конспект: записати ключові поняття, їх значення та короткі пояснення. 3. Дати відповіді на запитання: - Як класифікуються машини та апарати за ступенем захисту?
15.01.2026 Урок 15. Конкретні вимоги ПУЕ до електроустановок, які обслуговують електромонтери з обслуговування та ремонту електрообладнання. 1. Опрацювати теоретичний матеріал стор. 8-10. 2. Скласти конспект: записати ключові поняття, їх значення та короткі пояснення. 3. Дати відповіді на запитання: - Загальні вимоги до електроустаткування і матеріалів, що застосовують в електроустановках
16.01.2026 Урок 16. Періодична перевірка знань персоналу з ПТЕес та ПБЕЕС. Класифікаційні групи з техніки безпеки і порядок їх присвоєння. 1. Опрацювати теоретичний матеріал. 2. Скласти конспект: записати ключові поняття, їх значення та короткі пояснення. 3. Дати відповіді на запитання: - Як проводиться навчання та перевірки знань з питань охорони праці?
16.01.2026 Урок 17. Класифікація захисних засобів та вимоги до них. Визначення захисних засобів, основні та допоміжні захисні засоби до і вище 1000В. 1. Опрацювати теоретичний матеріал. 2. Скласти конспект: записати ключові поняття, їх значення та короткі пояснення. 3. Дати відповіді на запитання: - Як класифікуються захистні засоби захисту?
16.01.2026 Урок 18 - 19. Технічні заходи стосовно безпеки робіти з частковим або повним зняттям напруги. Проведення відключень в установках напругою до 1000 В і вище. 1. Опрацювати теоретичний матеріал та Правила безпечної експлуатації електроустановок споживачів п 4, 4.2. 2. Скласти конспект: записати ключові поняття, їх значення та короткі пояснення. 3. Дати відповіді на запитання: - Як класифікуються захистні засоби захисту?
16.01.2026 Урок 20. Вимоги безпеки при використанні мегомметрів та вимірювальних штанг. 1. Опрацювати теоретичний матеріал. 2. Скласти конспект: записати ключові поняття, їх значення та короткі пояснення.
16.01.2026 Урок 21. Частини електроустановки, щопідлягають заземленню. Вимоги до заземлювальних пристроїв. 1. Опрацювати Правила безпечної експлуатації електроустановок споживачів п. 4.5. 2. Скласти конспект: записати ключові поняття, їх значення та короткі пояснення.
16.01.2026 Урок 22. Вимоги безпеки праці при виконанні конкретних робіт з професії в обсязі ІІІ кваліфікаційної групи. 1. Опрацювати теоретичний матеріал. 2. Скласти конспект: записати ключові поняття, їх значення та короткі пояснення.
16.01.2026 Урок 23. Урок узагальнення знань з теми Пройти тестування.
16.01.2026 Урок 24. Основні методи розрахунку кіл постійного струму (контурних струмів, вузлових потенціалів, еквівалентного джерела). Втрата напруги у проводах. 1. Опрацювати теоретичний матеріал. 2. Скласти конспект: записати ключові поняття, їх значення та короткі пояснення.
19.01.2026 Урок 25. Розрахунок перерізу проводів за даною величиною максимально допустимої втрати напруги. 1. Опрацювати теоретичний матеріал. 2. Скласти конспект: записати ключові поняття, їх значення та короткі пояснення.
19.01.2026 Урок 26. Розрахунок перерізу проводів за даною величиною максимально допустимої втрати напруги. 1. Опрацювати теоретичний матеріал "Вихрові струми", "Взаємоіндукція" 2. Скласти конспект: записати ключові поняття, їх значення та короткі пояснення.
19.01.2026 Урок 27. Рівномірне і нерівномірне, симетричне й несиметричне навантаження, роль нульового проводу. 1. Опрацювати теоретичний матеріал. 2. Скласти конспект: записати ключові поняття, їх значення та короткі пояснення.
19.01.2026 Урок 28. Дослідження кіл з послідовним з’єднанням активного та реактивних опорів. 1. Опрацювати теоретичний матеріал. 2. Скласти конспект: записати ключові поняття, їх значення та короткі пояснення. 3. Дати відповіді на запитання: - Яка фізична суть індуктиного та ємнісного опору? - Як залежать значення індуктивного та ємнісного опорів від частоти? Одиниці виміру індуктивності і ємності? - Сформулювати та записати закон Ома для послідовного з’єднання активного, індуктивного та ємнісного опорів. - Особливості кіл змінного струму при послідовному сполученні активного, індуктивного і ємнісного опорів. - Формули і одиниці вимірів потужності в колах змінного струму. - Що таке коєфіцієнт потужності і як він залежить від активного і реактивного опорів кола? - Чому прагнуть до підвищення cosφ промислових споживачів електроенергії? - Як за показниками амперметра можно визначити момент появи резонансу напруг? Умови виникнення резонансу? - Поясніть підвищення напруг на елементах кола при появі резонансу напруг. - Що таке амплітуда, частота, період, фаза змінного струму. - Чим відрізняється активний опір від омічного?
20.01.2026 Урок 29. Активна, реактивна й повна потужності у трифазній мережі. 1. Опрацювати теоретичний матеріал. 2. Скласти конспект: записати ключові поняття, їх значення та короткі пояснення.
20.01.2026 Урок 30. Вимірювання потужності та енергії. Схеми включення ватметрів та лічильників. 1. Опрацювати теоретичний матеріал підручника стор. 5- 42, 122-156. 2. Скласти конспект: записати ключові поняття, їх значення та короткі пояснення.
21.01.2026 Урок 31. Лабораторна робота «Вимірювання потужності у три та чотири провідних трифазних мережах змінного струму» 1. Переписати матеріал у зошит для лабораторних робіт. 2. Пройти тестування.
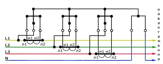
21.01.2026 Урок 32. Методи підключення трифазного лічильника. 1. Опрацювати теоретичний матеріал. 2. Скласти конспект: записати ключові поняття, їх значення та короткі пояснення. 3. Переглянути відео. 3. Дати відповіді на запитання: - Які основні відмінності в підключенні трифазного електролічильника порівняно з однофазним, і які вони мають вплив на процес монтажу та налаштування? - Які стратегії та підходи використовуються для забезпечення балансу навантаження між фазами під час підключення трифазного електролічильника, особливо в умовах нерівномірного споживання електроенергії? 4. Накреслити схему на аркуші формату А4, оформити з рамкою та штампом. Фото готової роботи надіслати на пошту kovriga.1970@ukr.net

22.01.2026 Урок 33. Вимірювання потужності та енергії. Схеми включення ватметрів та лічильників. 1. Опрацювати теоретичний матеріал. 2. Скласти конспект: записати ключові поняття, їх значення та короткі пояснення.
22.01.2026 Урок 34. Автотрансформатори, будова, принцип дії, основні характеристики автотрансформаторів та сфери застосування. 1. Опрацювати теоретичний матеріал. 2. Скласти конспект: записати ключові поняття, їх значення та короткі пояснення.
22.01.2026 Урок 35. Лабораторна робота «Дослідження однофазного трансформатора» 1. Переписати матеріал у зошит для лабораторних робіт. 2. Пройти тестування.
22.01.2026 Урок 36. Тиристори, симістори, їх різновиди, особливості, параметри. Маркування напівпровідникових приладів, сфера застосування. 1. Опрацювати теоретичний матеріал "Симістор", "Тиристор" 2. Скласти конспект: записати ключові поняття, їх значення та короткі пояснення.
22.01.2026 Урок 37. Будова та електротехнічні характеристики, принцип роботи безконтактних магнітних апаратів і комутаційних пристроїв. 1. Опрацювати теоретичний матеріал. 2. Скласти конспект: записати ключові поняття, їх значення та короткі пояснення.
23.01.2026 Урок 38. Електронні і напівпровідникові реле. 1. Опрацювати теоретичний матеріал "Напівпровідникові реле", "Реле керування й автоматики" 2. Скласти конспект: записати ключові поняття, їх значення та короткі пояснення.
23.01.2026 Урок 39. Фоторезистори, їх умовне позначення та схема включення. 1. Опрацювати теоретичний матеріал. 2. Скласти конспект: записати ключові поняття, їх значення та короткі пояснення.
176 переглядів
